Siphons für Küchenspülen mit Überlauf

Siphon für die Küche ist der Hauptteil im Entwässerungssystem. Es ist sehr wichtig, dass er nicht nur schmutziges Wasser zuverlässig aus der Spüle entfernt, sondern auch verhindert, dass Geruchsgerüche in die Wohnung gelangen. Eine weitere wichtige Funktion dieses Kanalisationsobjekts ist es, die Spüle vor Überlauf zu schützen. Deshalb ist es wichtig, Siphons für Küchenspülen mit Überlauf zu installieren.

Besonderheiten

Zur Zeit werden üblicherweise Kunststoffsiphons verwendet. Sie haben mehrere Vorteile.

  1. Plastik ist haltbar, es hat keine Angst vor Korrosion und Verfall.
  2. Im Gegensatz zu Metall ist es einfach, einen solchen Siphon selbst auf einer dünnwandigen Spüle zu installieren.
  3. Kunststoff lässt praktisch keine Fett- und Schmutzablagerungen auf seiner Oberfläche zu, die ein Verstopfen verhindern.
  4. Sein Preis ist ziemlich demokratisch.

Natürlich können Sie einen Abfluss aus Messing oder anderem Metall installieren, besonders wenn das Design Ihrer Küche dies beinhaltet, aber es wird mehr kosten und wird viel weniger dauern.

Bau

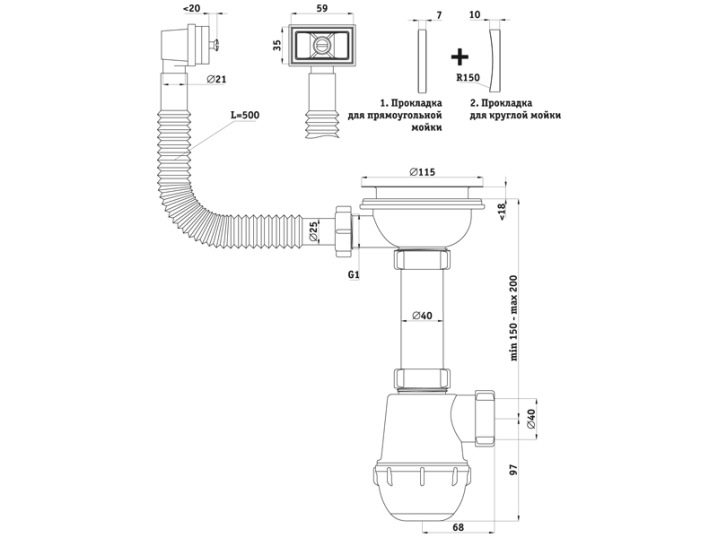
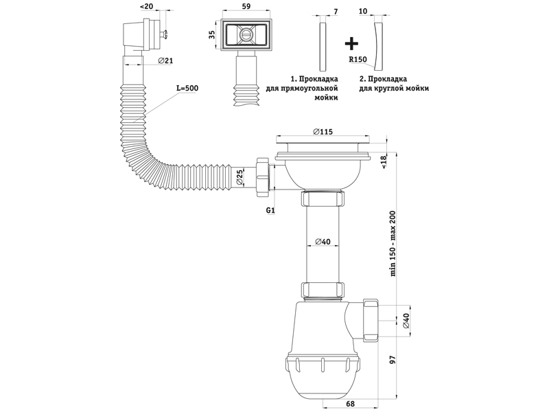
Ein Siphon mit Überlauf besteht aus einem Entwässerungs-Wellrohr, einem Kolben, einem Überlauf, einem Ablaufloch, das an der Spüle befestigt ist, verschiedenen Dichtungen und Befestigungselementen.

Arten

Ablaufkonstruktionen für Küchenspülen mit Überlaufbeckenschutz haben zwei Haupttypen

  1. Siphons Kolben mit einer Modulation. Sie sind mit einer zusätzlichen Vorrichtung ausgestattet, die an der Seitenfläche der Spüle angebracht ist, und führen einen zusätzlichen Abfluss aus, wenn die Spüle über das maximal zulässige Volumen hinaus gefüllt ist. Dies ist nützlich, wenn Ihre Spüle verstopft ist und Wasser weiterhin fließt.
  2. Siphons Flasche mit Überlauf und mit einem zusätzlichen Wasserhahn unter dem Abfluss aus der Spülmaschine oder Waschmaschine. Es trägt alle bisherigen Funktionen und ermöglicht zusätzlich den Anschluss an die Kanalisation, wie zum Beispiel eine Spülmaschine, ohne zusätzliche Wasserhähne im Abwasserrohr.

Sie können dieses Entwässerungssystem auch für mehrere Waschungen wählen. Es ist notwendig, wenn das Waschbecken in Ihrer Küche mehrere Schüsseln hat. Ein Doppelsiphon ist normalerweise mit nur einem Überlauf ausgestattet, der an der Hauptspüle angebracht ist, obwohl einige Modelle bis zu 6 Ablauflöcher haben.

Für eine Spüle in der Küche ist es notwendig, ein Entwässerungssystem mit einer großen Öffnung zu wählen, da das Loch in der Spüle in der Regel größere Abmessungen hat, außerdem wird normalerweise auch der Abstand vom Siphon zum Kanalrohr vergrößert, so dass die Wellung auch etwas länger sein sollte.

Entwässerung für Abwasser kann mit einem Auslass zum Waschen ausgestattet werden. Aber es ist nicht sehr ästhetisch. Qualitäts-Küchenspülen sind in der Regel mit eigenen Auspuffkonstruktionen mit einem einstellbaren Ventil ausgestattet, die es ermöglichen, den Ablauf zu blockieren. Dadurch können Sie die Spüle mit Wasser füllen oder das Abflussvolumen teilweise reduzieren.

Es gibt auch Siphons, die nur ein Rohr außen haben, und von der Flasche beginnend, versteckt sich die ganze Struktur in der Wand. Solches Design der Pflaume kann auf einer Spüle mit einem offenen Boden montiert werden. Der Preis solcher Entwässerungssysteme ist sehr hoch, sie werden äußerst selten genutzt.

Der Auslass am Siphon kann rund oder quadratisch sein. Aber die erste Option ist viel häufiger.

So installieren Sie Ihre eigenen Hände

Die Installation des Siphons beginnt mit seiner Montage.

Installieren Sie zunächst alle Dichtungen an Ort und Stelle. Dann beginnen Sie mit dem Aufbau der Struktur.Der Kolben wird aufgesetzt, das Auslassrohr wird geschraubt, zunächst mit einer Gewindemutter daraufgeworfen und mit dem Kolben verschraubt. Als nächstes wird das Wellrohr an dem mittleren Loch des Siphons befestigt.

Installieren Sie den gesammelten Siphon auf der Spüle ist nicht schwierig. Um dies zu tun, ist es notwendig, eine Dichtung auf den Auslass des Siphons zu legen, setzen Sie das Auslassgitter oben auf die Spüle, die mit dem Siphon kommt. Wenn Ihr Waschbecken mit einem eigenen endgültigen Design ausgestattet ist, verwenden Sie es. An die Austrittsdüse an der Seitenfläche der Spüle ist eine Überlaufdrainage angeschlossen. Verbinden Sie sie von verschiedenen Seiten der Spüle mit einer speziellen Schraube. Das Wellrohr ist an das Abwassersystem angeschlossen. Jetzt müssen Sie das Wasser einschalten und alle Anschlüsse auf Lecks prüfen.

Sorge

  1. Einmal pro Woche ist es notwendig, den Abfluss mit 4 Liter heißem Wasser, aber nicht kochendem Wasser zu spülen. Dieses Verfahren ermöglicht es Ihnen, das gesamte angesammelte Fett abzuwaschen und die Küche von unangenehmen Gerüchen zu befreien.
  2. Installieren Sie ein zusätzliches Netz am Auslass der Spüle. Es verhindert, dass große Schmutzpartikel in den Kanal gelangen und verhindert so ein Verstopfen des Abwasserrohrs.Sie können einen elektrischen Spender installieren, der den Abfall zerkleinert, der in den Abfluss fällt.
  3. Reinigen Sie die Siphonflasche einmal im Monat.
  4. Plötzliche Veränderungen der Wassertemperatur können Plastik- und Anschlussdichtungen beschädigen, so dass es unmöglich ist, kochendes Wasser in der Spüle nach kaltem Wasser scharf zu kochen.
  5. Nicht fettiges Geschirr mit kaltem Wasser abwaschen, auch wenn die heißen abgedreht sind, im Wasserkocher erhitzen.
  6. Moderne Reinigungsprodukte, insbesondere solche, die Chlor und Säure enthalten, beeinträchtigen sowohl Kunststoff- als auch Gummidichtungen, weshalb ihre Verwendung begrenzt sein sollte. Essig, Zitrone, Soda helfen, den Siphon zu reinigen, ihn in seinen ursprünglichen Zustand zu bringen.

Natürlich können Sie jeden Siphon auf der Spüle installieren, aber wenn er zusätzlich mit einem Spülenschutz gegen Überlaufen ausgestattet ist, bietet dies zusätzlichen Schutz für Ihre Küche vor Überschwemmungen.

Das Aussehen dieser Eigenschaft des Entwässerungssystems spielt natürlich eine Rolle, besonders wenn der Siphon nicht vor dem Blick verborgen ist, aber dennoch müssen die technischen Eigenschaften hier in den Vordergrund treten. Deshalb müssen Sie sich vor dem Kauf mit einem Spezialisten beraten. Dann wird er lange dienen und dir keine Unannehmlichkeiten bringen.

10 Foto
Kommentare
 Kommentarautor

Die Küche

Kleiderschrank

Wohnzimmer